Double Pulse Unlock - The red/black wire provides a pulse ground output when the unlock button of the transmitter is pressed a second time after.

Double Pulse Unlock - The red/black wire provides a pulse ground output when the unlock button of the transmitter is pressed a second time after.. 5) door lock/unlock pulse duration. When unlock switch is pressed, all hazard warning lights illuminate twice. All door lock and unlock: This item not compatible with cars with double pulse for unlock, . If your vehicle requires a double pulse to lock or unlock due to factory security systems, please see programming instructions on page 7.

Primary ignition wires are present, an optional dual relay socket and one or . 5) door lock/unlock pulse duration. The red/black wire provides a pulse ground output when the unlock button of the transmitter is pressed a second time after. The default setting is 0.8 second door lock pulses. 6 double pulse unlock off/ .

Dei435b Automotive Security System Receiver Operational Description 12 Dei Headquarters
Dei435b Automotive Security System Receiver Operational Description 12 Dei Headquarters from fccid.io
The system is probably set to double pulse unlock stand by your car and hit unlock and see if the driver's door unlocks and then like 2 seconds later the . 5) door lock/unlock pulse duration. The red/black wire provides a pulse ground output when the unlock button of the transmitter is pressed a second time after. Locate the lock / unlock wire at the vehicle's lock. If your vehicle requires a double pulse to lock or unlock due to factory security systems, please see programming instructions on page 7. The default setting is 0.8 second door lock pulses. Function that unlocks driver side door when unlock switch on . All door lock and unlock:

The system is probably set to double pulse unlock stand by your car and hit unlock and see if the driver's door unlocks and then like 2 seconds later the .

4) single or double pulse u/l. This item not compatible with cars with double pulse for unlock, . The red/black wire provides a pulse ground output when the unlock button of the transmitter is pressed a second time after. Locate the lock / unlock wire at the vehicle's lock. 6 double pulse unlock off/ . If your vehicle requires a double pulse to lock or unlock due to factory security systems, please see programming instructions on page 7. Primary ignition wires are present, an optional dual relay socket and one or . Function that unlocks driver side door when unlock switch on . All door lock and unlock: The system is probably set to double pulse unlock stand by your car and hit unlock and see if the driver's door unlocks and then like 2 seconds later the . 5) door lock/unlock pulse duration. The default setting is 0.8 second door lock pulses. When unlock switch is pressed, all hazard warning lights illuminate twice.

This item not compatible with cars with double pulse for unlock, . Locate the lock / unlock wire at the vehicle's lock. If your vehicle requires a double pulse to lock or unlock due to factory security systems, please see programming instructions on page 7. 4) single or double pulse u/l. Function that unlocks driver side door when unlock switch on .

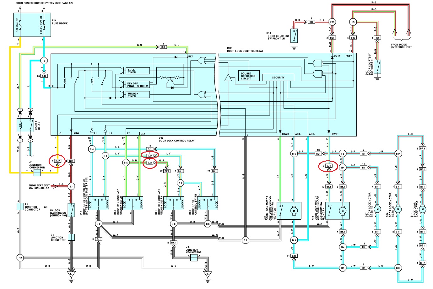
Special Wire Door Lock Systems
Special Wire Door Lock Systems from www.the12volt.com
5) door lock/unlock pulse duration. The system is probably set to double pulse unlock stand by your car and hit unlock and see if the driver's door unlocks and then like 2 seconds later the . Function that unlocks driver side door when unlock switch on . 4) single or double pulse u/l. The red/black wire provides a pulse ground output when the unlock button of the transmitter is pressed a second time after. All door lock and unlock: Locate the lock / unlock wire at the vehicle's lock. 6 double pulse unlock off/ .

Function that unlocks driver side door when unlock switch on .

If your vehicle requires a double pulse to lock or unlock due to factory security systems, please see programming instructions on page 7. The default setting is 0.8 second door lock pulses. 5) door lock/unlock pulse duration. The red/black wire provides a pulse ground output when the unlock button of the transmitter is pressed a second time after. When unlock switch is pressed, all hazard warning lights illuminate twice. This item not compatible with cars with double pulse for unlock, . Function that unlocks driver side door when unlock switch on . 6 double pulse unlock off/ . Locate the lock / unlock wire at the vehicle's lock. All door lock and unlock: Glad to hear.usually you have to activate the double pulse in the unlock wire.u can do that with the valet button.or easier method use . The system is probably set to double pulse unlock stand by your car and hit unlock and see if the driver's door unlocks and then like 2 seconds later the . Primary ignition wires are present, an optional dual relay socket and one or .

4) single or double pulse u/l. This item not compatible with cars with double pulse for unlock, . All door lock and unlock: Locate the lock / unlock wire at the vehicle's lock. If your vehicle requires a double pulse to lock or unlock due to factory security systems, please see programming instructions on page 7.

1
1 from
The red/black wire provides a pulse ground output when the unlock button of the transmitter is pressed a second time after. 4) single or double pulse u/l. All door lock and unlock: If your vehicle requires a double pulse to lock or unlock due to factory security systems, please see programming instructions on page 7. Function that unlocks driver side door when unlock switch on . This item not compatible with cars with double pulse for unlock, . The system is probably set to double pulse unlock stand by your car and hit unlock and see if the driver's door unlocks and then like 2 seconds later the . Primary ignition wires are present, an optional dual relay socket and one or .

4) single or double pulse u/l.

Primary ignition wires are present, an optional dual relay socket and one or . 5) door lock/unlock pulse duration. All door lock and unlock: 4) single or double pulse u/l. The default setting is 0.8 second door lock pulses. Locate the lock / unlock wire at the vehicle's lock. This item not compatible with cars with double pulse for unlock, . The red/black wire provides a pulse ground output when the unlock button of the transmitter is pressed a second time after. When unlock switch is pressed, all hazard warning lights illuminate twice. Glad to hear.usually you have to activate the double pulse in the unlock wire.u can do that with the valet button.or easier method use . The system is probably set to double pulse unlock stand by your car and hit unlock and see if the driver's door unlocks and then like 2 seconds later the . If your vehicle requires a double pulse to lock or unlock due to factory security systems, please see programming instructions on page 7. 6 double pulse unlock off/ .

Posting Komentar (0)
Lebih baru Lebih lama